EYB430高溫小型壓力變送器

-
EYB430藍寶石高溫小型壓力變送器采用進口硅—藍寶石半導體敏感元件制造的壓力傳感器和變送器,具有高精度、高穩定性,并硅—藍寶石半導體敏感元件無p-n漂移、對溫度變化不敏感。產品具有精度高、穩定性好、操作方便等特點。
該變送器廣泛用于化工、冶金、電力、食品等領域對腐蝕性氣體、液體、蒸汽的表壓、絕壓的精確測量。

儀表特點:
1.抗電磁干擾設計,適合惡劣使用環境
2.溫度測量范圍寬,溫度誤差極小
3.兼容防浪涌電壓,極性反向保護
4.防腐性強:鈦—藍寶石膜片
5.本安防爆
技術參數:
1.抗電磁干擾設計,適合惡劣使用環境
2.溫度測量范圍寬,溫度誤差極小
3.兼容防浪涌電壓,極性反向保護
4.防腐性強:鈦—藍寶石膜片
5.本安防爆
技術參數:
| 量程 | KPa | 0~5、100、500、800、1000 | |
| MPa | 0~1、2、10……100 | ||
| 壓力形式 | 表壓、絕壓 | ||
| 通訊方式 | Hart協議 | ||
| 輸出信號(mA) | 4~20二線制 | ||
| 精度度等級 | 0.1 | 0.2 | |
| 非線性/遲滯性(%FS)/重復性 | ≤0.1 | ≤0.2 | |
| 零點及靈敏度溫度漂移(%FS/℃) | ≤0.005 | ≤0.01 | |
| 長期穩定性(%FS/年) | ≤0.1;≤0.2 | ||
| 工作電壓(V) | +12~+36(標定值為+24) | ||
| 工作溫度(℃) | -60~+200 | ||
| 過載能力(%) | 300 | ||
| 壽命 | >lx108次壓力循環(25℃) | ||
| 負載電阻(Ω) | R=(U-12.5)/0.02-Rd其中:U為電源電壓,Rd為電纜內阻 | ||
| 響應時間(10~90%)ms | ≤1 | ||
| 測量介質 | 與316兼容的腐蝕性介質 | ||
| 膜片材料 | 鈦—藍寶石膜片 | ||
| 殼體材料 | ICr18Ni9Ti和鋁合金 | ||
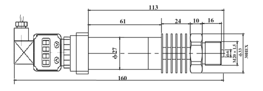
| 接口 | M20xl.5或用戶自定 | ||
| 防爆等級 | ExiaII CT6 | ||
| 防護等級 | IP67 | ||
|
EYB430 |
EYB430高溫小型壓力變送器 | ||||||||||||||
| 代號 | 壓力類型 | ||||||||||||||
| A | 絕對壓力 | ||||||||||||||
| G | 表壓(相對于大氣壓測量) 可省略 | ||||||||||||||
| 代號 | 測量范圍 | ||||||||||||||
| 1 | 0~5KPa | ||||||||||||||
| 2 | 0~35KPa | ||||||||||||||
| 3 | 0~100KPa | ||||||||||||||
| 4 | 0~250KPa | ||||||||||||||
| 5 | 0~1.0Mpa | ||||||||||||||
| 6 | 0~3.5Mpa | ||||||||||||||
| 7 | 0~10Mpa | ||||||||||||||
| 8 | 0~40Mpa | ||||||||||||||
| 9 | 0~100Mpa | ||||||||||||||
| 0 | 其他(需備注) | ||||||||||||||
| 代號 | 輸出功能 | ||||||||||||||
| A | 4~20mA | ||||||||||||||
| H | 4~20mA ,HART通訊協議 | ||||||||||||||
| 代號 | 精度等級 | ||||||||||||||
| 1 | ±0.1% | ||||||||||||||
| 2 | ±0.25% | ||||||||||||||
| 代號 | 管道接口 | ||||||||||||||
| J1 | M20×1.5 外螺紋 | ||||||||||||||
| J2 | G1/2 外螺紋 | ||||||||||||||
| J3 | 其他(需備注) | ||||||||||||||
| 代號 | 防爆形式 | ||||||||||||||
| N | 無 | ||||||||||||||
| I | 本安 | ||||||||||||||
| d | 隔爆 | ||||||||||||||
| 代號 | 顯示類型 | ||||||||||||||
| N | 無顯示(可省略) | ||||||||||||||
| M1 | 帶LCD顯示表 | ||||||||||||||
| EYB430 | G | 5 | A | 1 | J1 | N | M1 | (選型舉例) | |||||||




